





Çapraz boru, dört borunun kesiştiği yerde kullanılan bir boru bağlantısıdır. Bir giriş ve üç çıkışa sahip olabilir veya bir giriş ve bir çıkışa sahip olabilir. Çıkış ve giriş çapları aynı veya farklı olabilir.
Dal borusu boyutu ana boru boyutundan daha küçük olduğunda, genellikle buna indirgeyen bir haç diyoruz. Bu, boru sisteminden gerekli akışı ve basıncı elde eder. Bu indirgeyici çapraz boru bağlantısı genellikle çözücü kaynağı soketlere veya dişi işsiz uçlara sahip olma eğilimindedir.
Paslanmaz çelik azaltıcı haçlar sıhhi tesisat sistemlerinde yaygın olarak kullanılmaktadır. Çeşitli boruları birbirine bağlayan ve yolun dönüşümüne izin veren bağlantı parçalarıdır. Bu indirgeyici haçlar, sıvıların güvenli bir şekilde hareket etmesine yardımcı olur.
Çapraz uygunlukların azaltılması genel endüstriyel uygulamalarda daha az yaygındır. Acil durum sistemlerinde veya bahçecilik, yurtiçi uygulamalar vb.
giriiş
| Haç azaltma | |
| Öğe | Paslanmaz çelik azaltma haçı |
| Standart | ASME: ANSI B16.9, ANSI B16.28, MSS-SP-43 GB: GB/T12459, GB/T13401, HG/T21635, HG/T21631 |
| Malzeme | Paslanmaz çelik OCR18ni9 sınıfı, 0CR18ni9ti, 1CR18ni9Ti; 304, 304L, 316, 316L, 317, 317l, 321, 321h Çift fazlı paslanmaz çelik ASTM A815-S31803 、 S32750 、 S32760 Süper Çelik ASTM 904L 、 B366-N08904 、 A403-WP317、317L |
| Yüzey | Sıcak galvanizli |
| Tip | Şişkinlik oluşturma |
| boyut | ½ "-48" |
| Teslimat süresi | Ön ödemeli aldıktan sonra 5-30 gün içinde |
| Paketleme | Genellikle her bir ürünle birlikte filmlerle dolu kontrplak kasalarla paketleme. |
| Başvuru | Enerji üretimi, petrokimya, gemi yapımı, kağıt üretimi, kimyasal, ilaç ve imalat. |
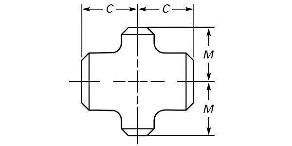
| Nominal boru boyutu | O.D. eğimde | Merkezden uca | |||
| NPS | Koşmak | Çıkış | C Run | Outlet M | |
| ½ | ¼ | 0.84 | 0.54 | 1.00 | 1.00 |
| ½ | 3/8 | 0.84 | 0.68 | 1.00 | 1.00 |
| ¾ | 3/8 | 1.05 | 0.68 | 1.12 | 1.12 |
| ¾ | ½ | 1.05 | 0.84 | 1.12 | 1.12 |
| 1 | ½ | 1.32 | 0.84 | 1.50 | 1.50 |
| 1 | ¾ | 1.32 | 1.05 | 1.50 | 1.50 |
| 1¼ | ½ | 1.66 | 0.84 | 1.88 | 1.88 |
| 1¼ | ¾ | 1.66 | 1.05 | 1.88 | 1.88 |
| 1¼ | 1 | 1.66 | 1.32 | 1.88 | 1.88 |
| 1½ | ½ | 1.90 | 0.84 | 2.25 | 2.25 |
| 1½ | ¾ | 1.90 | 1.05 | 2.25 | 2.25 |
| 1½ | 1 | 1.90 | 1.66 | 2.25 | 2.25 |
| 1½ | 1¼ | 1.90 | 1.66 | 2.25 | 2.25 |
| 2 | ¾ | 2.38 | 1.05 | 2.50 | 1.75 |
| 2 | 1 | 2.38 | 1.32 | 2.50 | 2.00 |
| 2 | 1¼ | 2.38 | 1.66 | 2.50 | 2.25 |
| 2 | 1½ | 2.38 | 1.90 | 2.50 | 2.38 |
| 2½ | 1 | 2.88 | 1.32 | 3.00 | 2.25 |
| 2½ | 1¼ | 2.88 | 1.66 | 3.00 | 2.50 |
| 2½ | 1½ | 2.88 | 1.90 | 3.00 | 2.62 |
| 2½ | 2 | 2.88 | 2.38 | 3.00 | 2.75 |
| 3 | 1¼ | 3.50 | 1.66 | 3.38 | 2.75 |
| 3 | 1½ | 3.50 | 1.90 | 3.38 | 2.88 |
| 3 | 2 | 3.50 | 2.38 | 3.38 | 3.00 |
| 3 | 2½ | 3.50 | 2.88 | 3.38 | 3.25 |
| 3½ | 1½ | 4.00 | 1.90 | 3.75 | 3.12 |
| 3½ | 2 | 4.00 | 2.38 | 3.75 | 3.25 |
| 3½ | 2½ | 4.00 | 2.88 | 3.75 | 3.50 |
| 3½ | 3 | 4.00 | 3.50 | 3.75 | 3.62 |
| 4 | 1½ | 4.50 | 1.90 | 4.12 | 3.38 |
| 4 | 2 | 4.50 | 2.38 | 4.12 | 3.50 |
| 4 | 2½ | 4.50 | 2.88 | 4.12 | 3.75 |
| 4 | 3 | 4.50 | 3.50 | 4.12 | 3.88 |
| 4 | 3½ | 4.50 | 4.00 | 4.12 | 4.00 |
| 5 | 2 | 5.56 | 2.38 | 4.88 | 4.12 |
| 5 | 2½ | 5.56 | 2.88 | 4.88 | 4.25 |
| 5 | 3 | 5.56 | 3.50 | 4.88 | 4.38 |
| 5 | 3½ | 5.56 | 4.00 | 4.88 | 4.50 |
| 5 | 4 | 5.56 | 4.50 | 4.88 | 4.62 |
| 6 | 2½ | 6.62 | 2.88 | 5.62 | 4.75 |
| 6 | 3 | 6.62 | 3.50 | 5.62 | 4.88 |
| 6 | 3½ | 6.62 | 4.00 | 5.62 | 5.00 |
| 6 | 4 | 6.62 | 4.50 | 5.62 | 5.12 |
| 6 | 5 | 6.62 | 5.56 | 5.62 | 5.38 |
| 8 | 3½ | 8.62 | 4.00 | 7.00 | 6.00 |
| 8 | 4 | 8.62 | 4.50 | 7.00 | 6.12 |
| 8 | 5 | 8.62 | 5.56 | 7.00 | 6.38 |
| 8 | 6 | 8.62 | 6.62 | 7.00 | 6.62 |
| 10 | 4 | 10.75 | 4.50 | 8.50 | 7.25 |
| 10 | 5 | 10.75 | 5.56 | 8.50 | 7.50 |
| 10 | 6 | 10.75 | 6.62 | 8.50 | 7.62 |
| 10 | 8 | 10.75 | 8.62 | 8.50 | 8.00 |
| 12 | 5 | 12.75 | 5.56 | 10.00 | 8.50 |
| 12 | 6 | 12.75 | 6.62 | 10.00 | 8.62 |
| 12 | 8 | 12.75 | 8.62 | 10.00 | 9.00 |
| 12 | 10 | 12.75 | 10.75 | 10.00 | 9.50 |
| 14 | 6 | 14.00 | 6.62 | 11.00 | 9.38 |
| 14 | 8 | 14.00 | 8.62 | 11.00 | 9.75 |
| 14 | 10 | 14.00 | 10.75 | 11.00 | 10.12 |
| 14 | 12 | 14.00 | 12.75 | 11.00 | 10.62 |
| 16 | 6 | 16.00 | 6.62 | 12.00 | 10.38 |
| 16 | 8 | 16.00 | 8.62 | 12.00 | 10.75 |
| 16 | 10 | 16.00 | 10.75 | 12.00 | 11.12 |
| 16 | 12 | 16.00 | 12.75 | 12.00 | 11.62 |
| 16 | 14 | 16.00 | 14.00 | 12.00 | 12.00 |
| 18 | 8 | 18.00 | 8.62 | 13.50 | 11.75 |
| 18 | 10 | 18.00 | 10.75 | 13.50 | 12.12 |
| 18 | 12 | 18.00 | 12.75 | 13.50 | 12.62 |
| 18 | 14 | 18.00 | 14.00 | 13.50 | 13.00 |
| 18 | 16 | 18.00 | 16.00 | 13.50 | 13.00 |
| 20 | 8 | 20.00 | 8.62 | 15.00 | 12.75 |
| 20 | 10 | 20.00 | 10.75 | 15.00 | 13.12 |
| 20 | 12 | 20.00 | 12.75 | 15.00 | 13.62 |
| 20 | 14 | 20.00 | 14.00 | 15.00 | 14.00 |
| 20 | 16 | 20.00 | 16.00 | 15.00 | 14.00 |
| 20 | 18 | 20.00 | 18.00 | 15.00 | 14.50 |
| 22 | 10 | 22.00 | 10.75 | 16.50 | 14.12 |
| 22 | 12 | 22.00 | 12.75 | 16.50 | 14.62 |
| 22 | 14 | 22.00 | 14.00 | 16.50 | 15.00 |
| 22 | 16 | 22.00 | 16.00 | 16.50 | 15.00 |
| 22 | 18 | 22.00 | 18.00 | 16.50 | 15.50 |
| 22 | 20 | 22.00 | 20.00 | 16.50 | 16.00 |
| 24 | 10 | 24.00 | 10.75 | 17.00 | 15.12 |
| 24 | 12 | 24.00 | 12.75 | 17.00 | 15.62 |
| 24 | 14 | 24.00 | 14.00 | 17.00 | 16.00 |
| 24 | 16 | 24.00 | 16.00 | 17.00 | 16.00 |
| 24 | 18 | 24.00 | 18.00 | 17.00 | 16.50 |
| 24 | 20 | 24.00 | 20.00 | 17.00 | 17.00 |
| 24 | 22 | 24.00 | 22.00 | 17.00 | 17.00 |
| 26 | 12 | 26.00 | 12.75 | 19.50 | 16.62 |
| 26 | 14 | 26.00 | 14.00 | 19.50 | 17.00 |
| 26 | 16 | 26.00 | 16.00 | 19.50 | 17.00 |
| 26 | 18 | 26.00 | 18.00 | 19.50 | 17.50 |
| 26 | 20 | 26.00 | 20.00 | 19.50 | 18.00 |
| 26 | 22 | 26.00 | 22.00 | 19.50 | 18.50 |
| 26 | 24 | 26.00 | 24.00 | 19.50 | 19.00 |
| 28 | 12 | 28.00 | 12.75 | 20.50 | 17.62 |
| 28 | 14 | 28.00 | 14.00 | 20.50 | 18.00 |
| 28 | 16 | 28.00 | 16.00 | 20.50 | 18.00 |
| 28 | 18 | 28.00 | 18.00 | 20.50 | 18.50 |
| 28 | 20 | 28.00 | 20.00 | 20.50 | 19.00 |
| 28 | 22 | 28.00 | 22.00 | 20.50 | 19.50 |
| 28 | 24 | 28.00 | 24.00 | 20.50 | 20.00 |
| 28 | 26 | 28.00 | 26.00 | 20.50 | 20.50 |
| 30 | 10 | 30.00 | 10.75 | 22.00 | 18.12 |
| 30 | 12 | 30.00 | 12.75 | 22.00 | 18.62 |
| 30 | 14 | 30.00 | 14.00 | 22.00 | 19.00 |
| 30 | 16 | 30.00 | 16.00 | 22.00 | 19.00 |
| 30 | 18 | 30.00 | 18.00 | 22.00 | 19.50 |
| 30 | 20 | 30.00 | 20.00 | 22.00 | 20.00 |
| 30 | 22 | 30.00 | 22.00 | 22.00 | 20.50 |
| 30 | 24 | 30.00 | 24.00 | 22.00 | 21.00 |
| 30 | 26 | 30.00 | 26.00 | 22.00 | 21.50 |
| 30 | 28 | 30.00 | 28.00 | 22.00 | 21.50 |
| 32 | 14 | 32.00 | 14.00 | 23.50 | 20.00 |
| 32 | 16 | 32.00 | 16.00 | 23.50 | 20.00 |
| 32 | 18 | 32.00 | 18.00 | 23.50 | 20.50 |
| 32 | 20 | 32.00 | 20.00 | 23.50 | 21.00 |
| 32 | 22 | 32.00 | 22.00 | 23.50 | 21.50 |
| 32 | 24 | 32.00 | 24.00 | 23.50 | 22.00 |
| 32 | 26 | 32.00 | 26.00 | 23.50 | 22.50 |
| 32 | 28 | 32.00 | 28.00 | 23.50 | 22.50 |
| 32 | 30 | 32.00 | 30.00 | 23.50 | 23.00 |
| 34 | 16 | 34.00 | 16.00 | 25.00 | 21.00 |
| 34 | 18 | 34.00 | 18.00 | 25.00 | 21.50 |
| 34 | 20 | 34.00 | 20.00 | 25.00 | 22.00 |
| 34 | 22 | 34.00 | 22.00 | 25.00 | 22.50 |
| 34 | 24 | 34.00 | 24.00 | 25.00 | 23.00 |
| 34 | 26 | 34.00 | 26.00 | 25.00 | 23.50 |
| 34 | 28 | 34.00 | 28.00 | 25.00 | 23.50 |
| 34 | 30 | 34.00 | 30.00 | 25.00 | 24.00 |
| 34 | 32 | 34.00 | 32.00 | 25.00 | 24.50 |
| 36 | 16 | 36.00 | 16.00 | 26.50 | 22.00 |
| 36 | 18 | 36.00 | 18.00 | 26.50 | 22.50 |
| 36 | 20 | 36.00 | 20.00 | 26.50 | 23.00 |
| 36 | 22 | 36.00 | 22.00 | 26.50 | 23.50 |
| 36 | 24 | 36.00 | 24.00 | 26.50 | 24.00 |
| 36 | 26 | 36.00 | 26.00 | 26.50 | 24.50 |
| 36 | 28 | 36.00 | 28.00 | 26.50 | 24.50 |
| 36 | 30 | 36.00 | 30.00 | 26.50 | 25.00 |
| 36 | 32 | 36.00 | 32.00 | 26.50 | 25.50 |
| 36 | 34 | 36.00 | 34.00 | 26.50 | 26.00 |
| 38 | 18 | 38.00 | 18.00 | 28.00 | 23.50 |
| 38 | 20 | 38.00 | 20.00 | 28.00 | 24.00 |
| 38 | 22 | 38.00 | 22.00 | 28.00 | 24.50 |
| 38 | 24 | 38.00 | 24.00 | 28.00 | 25.00 |
| 38 | 26 | 38.00 | 26.00 | 28.00 | 25.50 |
| 38 | 28 | 38.00 | 28.00 | 28.00 | 25.50 |
| 38 | 30 | 38.00 | 30.00 | 28.00 | 26.50 |
| 38 | 32 | 38.00 | 32.00 | 28.00 | 27.00 |
| 38 | 34 | 38.00 | 34.00 | 28.00 | 27.50 |
| 38 | 36 | 38.00 | 36.00 | 28.00 | 28.00 |
| 40 | 18 | 40.00 | 18.00 | 29.50 | 24.50 |
| 40 | 20 | 40.00 | 20.00 | 29.50 | 25.00 |
| 40 | 22 | 40.00 | 22.00 | 29.50 | 25.50 |
| 40 | 24 | 40.00 | 24.00 | 29.50 | 26.00 |
| 40 | 26 | 40.00 | 26.00 | 29.50 | 26.50 |
| 40 | 28 | 40.00 | 28.00 | 29.50 | 26.50 |
| 40 | 30 | 40.00 | 30.00 | 29.50 | 27.50 |
| 40 | 32 | 40.00 | 32.00 | 29.50 | 28.00 |
| 40 | 34 | 40.00 | 34.00 | 29.50 | 28.50 |
| 40 | 36 | 40.00 | 36.00 | 29.50 | 29.00 |
| 40 | 38 | 40.00 | 38.00 | 29.50 | 29.50 |
| 42 | 16 | 42.00 | 16.00 | 30.00 | 25.00 |
| 42 | 18 | 42.00 | 18.00 | 30.00 | 25.50 |
| 42 | 20 | 42.00 | 20.00 | 30.00 | 26.00 |
| 42 | 22 | 42.00 | 22.00 | 30.00 | 26.00 |
| 42 | 24 | 42.00 | 24.00 | 30.00 | 26.00 |
| 42 | 26 | 42.00 | 26.00 | 30.00 | 27.50 |
| 42 | 28 | 42.00 | 28.00 | 30.00 | 27.50 |
| 42 | 30 | 42.00 | 30.00 | 30.00 | 28.00 |
| 42 | 32 | 42.00 | 32.00 | 30.00 | 28.00 |
| 42 | 34 | 42.00 | 34.00 | 30.00 | 28.00 |
| 42 | 36 | 42.00 | 36.00 | 30.00 | 28.00 |
| 42 | 38 | 42.00 | 38.00 | 30.00 | 28.00 |
| 42 | 40 | 42.00 | 40.00 | 30.00 | 28.00 |
| 44 | 20 | 44.00 | 20.00 | 32.00 | 27.00 |
| 44 | 22 | 44.00 | 22.00 | 32.00 | 27.00 |
| 44 | 24 | 44.00 | 24.00 | 32.00 | 27.50 |
| 44 | 26 | 44.00 | 26.00 | 32.00 | 27.50 |
| 44 | 28 | 44.00 | 28.00 | 32.00 | 27.50 |
| 44 | 30 | 44.00 | 30.00 | 32.00 | 28.00 |
| 44 | 32 | 44.00 | 32.00 | 32.00 | 28.00 |
| 44 | 34 | 44.00 | 34.00 | 32.00 | 28.50 |
| 44 | 36 | 44.00 | 36.00 | 32.00 | 28.50 |
| 44 | 38 | 44.00 | 38.00 | 32.00 | 29.00 |
| 44 | 40 | 44.00 | 40.00 | 32.00 | 29.50 |
| 44 | 42 | 44.00 | 42.00 | 32.00 | 30.00 |
| 46 | 22 | 46.00 | 22.00 | 33.50 | 28.50 |
| 46 | 24 | 46.00 | 24.00 | 33.50 | 28.50 |
| 46 | 26 | 46.00 | 26.00 | 33.50 | 29.00 |
| 46 | 28 | 46.00 | 28.00 | 33.50 | 29.00 |
| 46 | 30 | 46.00 | 30.00 | 33.50 | 29.00 |
| 46 | 32 | 46.00 | 32.00 | 33.50 | 29.50 |
| 46 | 34 | 46.00 | 34.00 | 33.50 | 29.50 |
| 46 | 36 | 46.00 | 36.00 | 33.50 | 30.00 |
| 46 | 38 | 46.00 | 38.00 | 33.50 | 30.00 |
| 46 | 40 | 46.00 | 40.00 | 33.50 | 30.50 |
| 46 | 42 | 46.00 | 42.00 | 33.50 | 31.00 |
| 46 | 44 | 46.00 | 44.00 | 33.50 | 31.50 |
| 48 | 22 | 48.00 | 22.00 | 35.00 | 29.00 |
| 48 | 24 | 48.00 | 24.00 | 35.00 | 29.00 |
| 48 | 26 | 48.00 | 26.00 | 35.00 | 30.00 |
| 48 | 28 | 48.00 | 28.00 | 35.00 | 30.00 |
| 48 | 30 | 48.00 | 30.00 | 35.00 | 30.00 |
| 48 | 32 | 48.00 | 32.00 | 35.00 | 31.00 |
| 48 | 34 | 48.00 | 34.00 | 35.00 | 31.00 |
| 48 | 36 | 48.00 | 36.00 | 35.00 | 31.00 |
| 48 | 38 | 48.00 | 38.00 | 35.00 | 32.00 |
| 48 | 40 | 48.00 | 40.00 | 35.00 | 32.00 |
| 48 | 42 | 48.00 | 42.00 | 35.00 | 32.00 |
| 48 | 44 | 48.00 | 44.00 | 35.00 | 33.00 |
| 48 | 46 | 48.00 | 46.00 | 35.00 | 33.00 |
2007 yılında kuruldu ve 2022'de Zhejiang Eyaleti Longyou Ekonomik Kalkınma Bölgesi'ne taşındı.
ISO9001: 2008 Kalite Yönetim Sistemi, PED 97/23/EC AB Basınç Ekipmanı Direktifi Sertifikasyonu, Çin Özel Ekipman Üretim Lisansı (Basınç Tüpü) TS Sertifikasyonu, ASME Sertifikası, ISO14000: 2004 Çevre Yönetim Sistemi, Temiz Üretim (Yeşil Girişim) ve bir dizi Sertifikasyon (CCC), Amerikan Sertifikası (Yeşil Girişim) ve bir dizi Sertifikası (CCC), Sertifikalar Sertifikası (Yeşil Girişim) ve bir dizi Sertifikalı (CCC). (LR), Deutsche Veritas (GL), Büro Veritas Society (BV), Det Norske Veritas (DNV) ve Koreli Nakliye Kayıt (KR) Fabrika Sertifikasyonu.
Ana ürünler arasında petrol, kimya endüstrisi, nükleer endüstri, eritme, gemi inşası, farmasötikler, gıda, su koruma, elektrik enerjisi, yeni enerji, mekanik ekipman ve diğer alanlarda yaygın olarak kullanılan paslanmaz çelik borular, boru bağlantı parçaları, flanşlar, valfler vb. Şirket, "Hayatta Kalma Kalitesi, Kalkınma İtibarının Kalitesi" nin kurumsal ilkesine bağlıdır ve her müşteriye bir kazan-kazan durumu yaratmak için hizmet eder.





Yumuşak Çeliğin Kütle Yoğunluğu: Temeller ve Pratik Önemi Yumuşak çeliğin kütle yoğunluğu, mühendislerin ve tasarımcıların bileşenleri nasıl boyutlandırdığını, ağırlığı nasıl tahmin ettiğini ve ...
Daha Fazla GörüntüleDüşük Alaşımlı Çelik Malzemeye Giriş Düşük alaşımlı çelik malzeme, karbona ek olarak genellikle %8'den az olmak üzere küçük bir oranda alaşım elementi içeren bir çelik türüdür. Krom, nikel,...
Daha Fazla GörüntüleGenel Bakış - paslanmaz çelik için "inç küp başına ağırlık" ne anlama gelir? "İnç küp başına ağırlık", bir inç küp malzemenin basitçe kütlesidir (pound cinsinden). Paslanmaz çelik için bu, alaşı...
Daha Fazla GörüntüleE -posta adresinizi asla paylaşmayacağım
Herhangi bir zamanda devre dışı bırakabiliriz, söz veriyoruz.